Single Point Loadcell

SPC10

  • · Capacity:0.3kg3kg

    · High accuracy

    · Max. platform size:200×200mm


  • PDF:SPC10
  • INQUIRY

·SPC10 load cells are available in the capacities 0.3kg-3kg.

· Aluminum construction with parallel beam.

·Silicon adhesive sealed,surface anodized and anti-corrosion.

·Integral structure and easy installation.

·Suitable for electronic balance and other electronic weighing devices.

Features

· Capacity:0.3kg3kg

· High accuracy

· Max. platform size:200×200mm

 

SPECIFICATIONS   

Capacity

kg

0.3/0.4/0.5/0.6/1/3

ACCuracy


C3D

Maximum number of verification intervals

nmax

2500

Minimum load cell verification interval

vmin

Emax/5000

Combined error

(%FS)

≤±0.030

Creep

(%FS/30min)

≤±0.020

Temperature effect on sensitivity

(%FS/10)

≤±0.021

Temperature effect on zero

(%FS/10)

≤±0.028

Output sensitivity

(mV/V)

1.0 ± 0.1

Input resistance

(Ω)

394 ± 6

Output resistance

(Ω)

350 ± 3

Insulation resistance

(MΩ)

≥500050VDC

Zero balance

(%FS)

2

Temperature, compensated

()

-10~+40

Temperature,operating

()

-35~+70

Excitation, recommended

(V)

5~12DC

Excitation, max

(V)

18DC

Safe overload

(%FS)

150

UItimate overload

(%FS)

300

Corner correction


0.02% load value/100mm

 

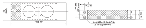
Outline Dimension mm(inch)

 image.png

 

Wiring:

Adopt a shielded, 4 conductor cable,and cable jacket is PVC.

Cable length:0.45±0.05m

Cable diameter:3.0±0.2mm

 image.png

 

 

* Specifications are subject to change without notice

WZO CONTROLS LTD


PREVIOUS:SPC11 NEXT:SPC9

Categories

Contact Us


Contact: wzo@wzocontrols.co.uk