Flanged Type Reaction Torque Transducer

MRTT

  • Capacities from 0.005 Nm to 20 Nm

    5X safe overload on capacities up to 2 Nm

    Very small measuring ranges


  • PDF:MRTT
  • INQUIRY

Series MRTT

·Capacities from 0.005 Nm to 20 Nm

·5X safe overload on capacities up to 2 Nm

·Very small measuring ranges

OPTIONS

Enhanced Accuracy-0.1%nonlinearity &hysteresis

Internal Shunt Resistor-100% output


SPECIFICATIONS

ACCURACY-(MAX   ERROR)

Nonlinearity   - %FS

+/-0.2

Hysteresis   - %FS

+/-0.2

Nonrepeatability   - % RO

+/-0.1

TEMPERATURE

Effect   on Zero - % RO/C

+/-0.02

Effect   on Output - %/C

+/-0.01

Compensated   Range-"C

-5   to +45

Operating   Range-C

-15   to +55

ELECTRICAL

Output   - mV/V


0.005Nm   to 2Nm

0.5

1Nm   to 20Nm

1.0

Excitation   Voltage - VDC

2-12

Bridge   Resistance-Ohm

6   pin Binder

Electrical   Connection


MECHANICAL

Safe   Overload - %RO


0.005Nm   to 2Nm

500

1Nm   to 20Nm

200

Angular   Deflection at Rated Torque-

<0.2

Cyclic   Load Rating - % RO

+/-70Peak

IP   Rating

50

 

 

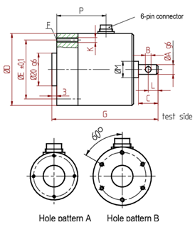
Dimension

Meas.   range[N.m]

A

B

C

D

E

F

G

K

L

M

P

Hole   pattern

0.005,0.01

3

-

5

44

38

4x90°

58

M3

-

10

30

A

0.02,0.03,0.05,0.1,0.2,0.5,1,2

6

2.5

12

44

38

4x90°

65

M3

6

10

30

A

50,10,12,15,20

12

4

18

54

44

6x60°

65

M4

8

14

28

B


image.png


Dimension-mm

Rated   Capacity

A

B

C

D

E

F

G

H

I

J

Weight(kg)

5.0kgf-m(49.035N-m)

70

3

64

10

44

40

80

48

66

2 x 4 - ø6.5

1.5

10kgf-m(98.074N-m)

70

3

64

10

44

40

80

48

66

2 x 4 - ø6.5

1.5

20kgf-m(191.64N-m)

86

3

80

15

50

40

98

58

78

2 x 6 - ø10.5

1.8

50kgf-m(490.35N-m)

130

5

120

20

80

60

118

58

95

2 x 6 - ø10.5

2.7

100kgf-m(980.7N-m)

136

3

130

20

90

60

146

75

115

2 x 6 - ø14

2.9

200kgf-m(1916N-m)

146

3

140

25

90

60

166

88

130

2 x 6 - ø18

3.2


* Specifications are subiect to change without notice

WZO CONTROLS LTD

 

PREVIOUS:NRTS NEXT:FTRTTK200

Categories

Contact Us


Contact: wzo@wzocontrols.co.uk