Pressure Sensor

UTSU

  • Two wire 4~20mA output

    Measuring rang-50~400

    0.5%FS accuracy


  • PDF:UTSU
  • INQUIRY

Series UTSU

Temperature Transmitter

USTU sensing element has excellent properties by using RTD and remote transmission is implemented with 2wire 4~20mA output. It is Protection (IP65)to be used under poor environments.

Feature

-Two wire 4~20mA output

-Measuring rang-50~400

-0.5%FS accuracy

-Stainless steel(316L)media - wetted materials

Application

-Chemical & Petrochemical

-Process Control & Monitoring

-Food & Pharmaceutical

-Plant utility monitoring


SPECIFICATIONS

Range


-50~0,-50~50,0~50,100,200,300,400℃

Sensing   Element


Sheathed   RID(PT100Ω)

Performance

Accuracy

±0.5% FS

Ambient   Temperature Range

-20~80

Storage   Temperature Range

-40~100

Electrical

Excitation  

11~28VDC

Output

4~20mA(2Wire)

Electrical   Connection

Connector,DIN Connector,Head-G(PF)1/2”

Physical

Vibration

49.1m/s2{5G},10~500Hz

Shock

490m/s2{50G}

Process   Connection

R(PT)1/2”,Flange   & Other Connection Available on Request

Media   - Wetted Materials

Stainless   Steel 316,Other Available on Request

Protection

IP65(Only DIN Connector,Head)

Weight

Approx.   300g(Standard type only)

 

 

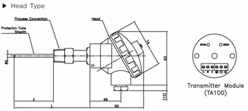
 Dimension

image.png

Pin

No.

Wire

Color

Connections

1

Red

Input

2

-

X

3

Black

Output

4

-

X


Shield

Earth


 image.png

Pin

No.

Connections

1

Input

2

Output

3

X

Earth


 image.png

Pin

No.

Connections

A

PT100Ω A

B

PT100Ω B

b

PT100Ω b

Earth

-

OUTPUT

+

INPUT


 

Ordering Information

image.png


* Specifications are subiect to change without notice

WZO CONTROLS LTDS

 

 

 


PREVIOUS:V6200 NEXT:QVI

Categories

Contact Us


Contact: wzo@wzocontrols.co.uk