Junction Box

SBAH SBSH

  • Excitation trim(4-6 load cel summing)

    IP67 Aluminum die-cast enclosure


  • PDF:SBAH SBSH
  • INQUIRY

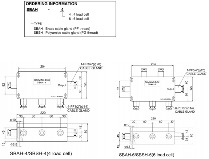
Series SBAH/SBSH

Summing box(Aluminum housing)

Feature

1.   Excitation trim(4-6 load cel summing)

2.   IP67 Aluminum die-cast enclosure


image.png

Series SBSHS

Summing box(Stainless housing)

Feature

1. Excitation trim(4~6 load cell summing)

2. IP67 Stainless steel enclosure


image.png

PREVIOUS: NEXT:

Categories

Contact Us


Contact: wzo@wzocontrols.co.uk