Single Point Loadcell

SPC14

  • Capacity:50kg635kg

    High Accuracy

    Two Recommended Platform Size

  • PDF:SPC14
  • INQUIRY

·SPC14 load cells are available in the capacities 50kg-635kg.

· Aluminum construction with parallel beam.

·Silicon adhesive sealed,surface anodized and anti-corrosion.

·Integral structure and easy installation.

·Suitable for electronic balance and other electronic weighing devices.


Features

· Capacity:50kg635kg

· High accuracy

· Recommended platform size:

50kg200kg: 600×600mm

250kg635kg:600×800mm

· OIML Certificates No:R60/2000-CNI-06.03

· PTB Approval No: D09-06.12

  

SPECIFICATIONS                                                                                                                                                                   

Capacity

kg

50/75/100/150/200/250/300/500/635

ACCuracy


C3

Approvals


OIML R60 C3

Maximum number of verification intervals

nmax

3000

Minimum load cell verification interval

vmin

Emax/7000

Combined error

(%FS)

≤±0.020

Creep

(%FS/30min)

≤±0.0167

Temperature effect on sensitivity

(%FS/10)

≤±0.0175

Temperature effect on zero

(%FS/10)

≤±0.020

Output sensitivity

(mV/V)

2.0 ± 0.2

Input resistance

(Ω)

406 ± 6

Output resistance

(Ω)

350 ± 3

Insulation resistance

(MΩ)

≥500050VDC

Zero balance

(%FS)

2

Temperature, compensated

()

-10~+40

Temperature,operating

()

-35~+70

Excitation, recommended

(V)

5~12DC

Excitation, max

(V)

18DC

Safe overload

(%FS)

150

UItimate overload

(%FS)

300

Corner correction


0.02% load value/100mm

 

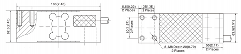
Outline Dimension mm(inch)

 image.png

 

Wiring:

Adopt a shielded, 4 conductor cable,and cable jacket is PVC.

Cable length:3.0±0.1m

Cable diameter:4.7±0.2mm

image.png 

 

 

* Specifications are subject to change without notice

WZO CONTROLS LTD


PREVIOUS:SPCK500 NEXT:SPC13

Categories

Contact Us


Contact: wzo@wzocontrols.co.uk