Low Profile Loadcell

HATLPCT10

Series HATLPCT10

High Accuracy Type Low Profile

Compression Load Cell (500kg~10t)

 

The model HATLPCT10 is designed for low profile compression service.

Its compact size makes the cell ideal for a wide range of applications including testing & weighing systems.

 

-17-4PH Stainless steel construction for high accuracy and corrosion resistance.

- Fully welded seal with stainless steel cover for hostile environment applications.

- Compact size with low profile.

 

SPECIFICATIONS 

TYPE

HATLPCT10

Rated capacity (R.C.)

500kg, 1, 2, 5, 10t

Rated output(R.O.)

2.0mV ± 0.2%

Non-linearity

≤0.03% R.O.

Hysteresis

≤0.03% R.O.

Non-repeatability

≤0.03% R.O.

Creep error

≤0.03% in 20min

Zero balance

≤1% R.O.

Compensated temperature range

-10 ~ 70

Operating temperature range

-20 ~ 80

Temp. effect on rated output

≤0.03% LOAD/10

Temp.effect on zero balance

≤0.03% R.O./10

Terminal input resistance

350 Ohms ± 3.5 Ohms

Terminal output resistance

350 Ohms ± 5 Ohms

Insulation resistance (Min.)

2000 MOhms at 50V DC

Excitation voltage

10VRecommended,15VMax.

Electrical connection

Ø7mmx6m(22AWG   x 4Core Shielded)

Protection class

Meets IP 67

Safe overload

150% R.C

Ultimate overload

300% R.C


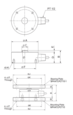
image.png


Dimension-mm

Capacity

A

B

C

D

E

F

G

H

J

K

L

M

N

P

Bearing   plate

Mounting   plate

Weight   (kg)

500kg~5t

(4.903kN-~49.037kN)

88

40

20

35

5

72

R150

4-M6x1P

Depth   8

160

126

100

30

30

14

BPHATLPCT10-1   (Zinc Plated SteeI)

MPHATLPCT10-1

(Zinc   Plated SteeI)

2.3

10t   (98.07kN)

88

45

20

40

5

72

R150

4-M6x1P

Depth   8

160

126

105

30

30

14

3.7


image.png


* Specifications are subject to change without notice

WZO CONTROLS LTD


PREVIOUS:LPCT20 NEXT:FTCT15

Categories

Contact Us


Contact: wzo@wzocontrols.co.uk