S Type Loadcell

FCZ

  • Compact size

    Tension and Compression Load Cell

    2 - 20kg

    Nickel Plated Steel


  • PDF:FCZ-2-20kg
  • INQUIRY


Features

-Compact size

-These are extremely accurate and compact tension and compression load cell

 

SPECIFICATIONS

TYPE

FCZ

Rated capacity (R.C.)

2,5,10,20kgf

Rated output (R.O.)

2.0 mV/V±1%

2, 5kgf:1.5mV/V±1%

Zero balance

±2%R.O.

Combined error

0.03% R.O.

Repeatability

0.02% 710,0

Creep for 30 min

0.03% R.O.

Temp, effect on zero value

0.1%/10

Temp, effect on output value

350 ± 3Q

Excitation recommended

5V DC

Excitation maximum

10V DC

Terminal resistance, input

350±50Ω

Terminal resistance, output

350±3Ω

Insulation resistance

>2000MΩ@50V DC

Compensated temperature range

-10 to +40

Operatong temperature range

-20 to +70

♦Material

Nickel plated steel

♦Cable

Braided Shield 4-wire round cable with PVC-jacket

 

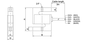
image.png

Dimension-mm

Rated Capacity

A

B

C

D

E

F

2,5kgf

60

50

13

16

10

M6 X 1.0

10,20kgf

70

52

13

18

13

M6 X 1.0

 

* Specifications are subject to change without notice

WZO CONTROLS LTD


PREVIOUS:MSTCG10 NEXT:

Categories

Contact Us


Contact: wzo@wzocontrols.co.uk