S Type Loadcell

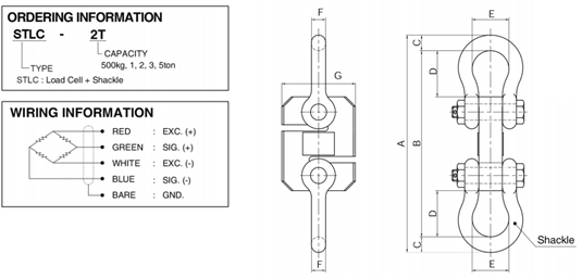
STLC

  • Tension Load Cell(500kg5t)

     High safety. (UItimate overload rating 500%)

    Alloy tool steel construction


  • PDF:STLC
  • INQUIRY


The model STLC series, designed for tension measurement and weighing applications, are reliable and easy to install.

-Durable design provide high safety. (UItimate overload rating 500%)

-Alloy tool steel construction for high accuracy.

-Electroless nickel plated for corrsion resistance.

 

SPECIFICATIONS

TYPE

STLC

Rated capacity(R.C.)

500kg123,5t

Rated output(R. O.)

1.5mV/V ±0.25%

Non-linearity

≤0.03% R.O.

Hysteresis

≤0.03% R.O.

Non-repeatability

≤0.03% R.O.

Creep error

≤0.03% in 20 min

Zero balance

≤1% R.O.

Compensated temperature range

-10 ~ 70

Operating temperature range

-20 ~ 80

Temp.effect on rated output

≤0.05% LOAD/10

Temp.effect on Zero balance

≤0.03% R.O /10

Terminal input resistance

350 Ohms ± 3.5 Ohms

Terminal output resistance

350 Ohms ± 5 Ohms

Insulation resistance(Min.)

2000 Ohms at 50V DC

Electrial voltage

10V(Recommendea),15V(Max)

Electrial connection

Ø7mmX6m(22AWG x 4Core Shielded)

Protection class

Meets IP 67

Safe overload

150% R.C

UItimate overload

500% R.C

 

 

 image.png

 

 

 


DIMENSIONS-mm

Rated Capacity

A

B

C

D

E

F

G

Shackle

weight(kg)

500kg,1t  

(4.904KN,   9.807KN)

255

220

17.5

54

42.9

16

78

G-21305/8”

Crosby   or eq.

3.2kg1.8kg

Without   shackle

2t   ~ 5t

(19.61KN~49.04KN)

342.8

293.6

24.6

72.8

58

22.4

116

G-21307/8”

Crosby   or eq.

7.8kg4.2kg

Without   shackle

 

* Specifications are subiect to change without notice

WZO CONTROLS LTD


PREVIOUS: NEXT:SPCTT10

Categories

Contact Us


Contact: wzo@wzocontrols.co.uk