Canister Type Loadcell

CLC

  • capacity 5t -450t

    Suitable for electronic truck scale, dynamic railroad scale and big capacity hopper scale

  • PDF:CLC
  • INQUIRY

Column Load Cells

Column type, hermetically sealed structure, argon-arc welded, IP68 Compression, fast dynamic response, strong anti-overload capability, upper ball head load bearing.

Simple to install, easy to use.

Suitable for electronic truck scale, dynamic railroad scale and big capacity hopper scale,ect.

Interchangeable Products

-Artech 90310

-Howe Richardson 244699-000X

-Revere 692B -Revere CSP

-Revere CSP1

- Rice Lake RLCSP1

-Sensortronics 65088-1000

-Streeter Amet 3760XXX

-Total comp TCSP1

-Coti Global CG-26S5

SPECIFICATIONS   

TYPE

CLC

Rated   output(R.O.)

1.75±0.005  2.00±0.005

Non-linearity

±0.02% FS

Hysteresis

±0.02% FS

Repeatability

±0.01% FS

Creep(30 minutes)

±0.02% FS

Zero balance

±1.00% FS

Temperature effect on zero

±0.02% FS/10℃

Temperature effect on output

±0.02% FS/10℃

Input resistance (Ω)

450±5

Output resistance (Ω)

480±3

Insulation resistance

≥5000MΩ

Excitation voltage

10V(DC/AC)

Compensated temperature range

-10~+50

Operating  temperature range

-20~+60

Safe overload

120% FS

Cable

Φ6x9m

Cable color code

Input: red(+)  black(-)

Output: green(+) white(-)

image.png


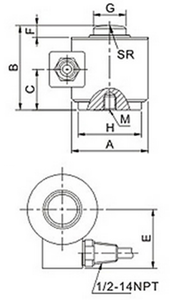
MAIN DIMENSIONS AND ACCESSORIES

Capacity

Size

M

t

Klb

A

B

C

E

F

G

H

SR

inch

mm

DP

5-20

10-50

75.0

83.0

32.5

64.0

10.0

31.8

62.0

125.0

1/2-20

M12x1.75

13.0

45

100

100.6

127.0

54.6

86.0

14.0

59.0

88.6

152.0

3/4-16

M18x1.5

18.0

90-180

200-400

150.6

184.5

92.0

108.0

26.0

80.0

134.4

400.0

3/4-16

M20x1.5

25.0

225

500

164.0

229.0

92.0

108.0

26.0

93.7

148.0

400.0

3/4-16

M20x1.5

25.0

450

1000

177.0

304.8

117.0

115.0

26.0

139.7

165.1

1143.0

3/4-16

M20x1.5

32.0

 

* Specifications are subject to change without notice

WZO CONTROLS LTD


PREVIOUS:CLCC NEXT:

Categories

Contact Us


Contact: wzo@wzocontrols.co.uk