Miniature Loadcell

MSTCG10

  • TENSION/COMPRESSION

    ALUMINUM BODY

    BUILT IN OVERLOAD PROTECTION


  • PDF:MSTCG10
  • INQUIRY

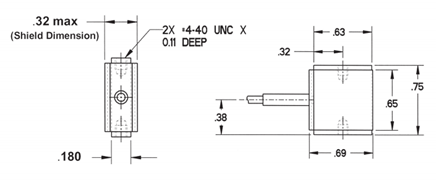
Series MSTCG10

Miniature S-Beam Load Cell

 

The MSTCG10 is a miniature tension/compression load cell. This load cell offers a unique combination of compact size, with a high over load capacity rating of 1000% of full scale. The MSTCG10 has two threaded #4-40 mounting holes on either end for easy installation.

 

·TENSION/COMPRESSION

·0.75 INCH OVERALL HEIGHT

·ALUMINUM BODY

· BUILT IN OVERLOAD PROTECTION


SPECIFICATIONS                                                                                        

LOAD   RANGES

10 grams   to 100lbs.

LINEARITY

±0.1% F.S.

HYSTERESIS

±0.1% F.S.

REPEATABILITY

±0..05% F.S.

MATERIAL

100   grams to 10Ibs.-Aluminum

25Ibs.and   up-Stainless Steel

TEMPERATURE   RANGE

60°to160°F

OUTPUT

.5mv/v-10   grams

1   mv/v-20 grams

2mv/v-50   grams to 100Ibs.

BRIDGE   RESISTANCE

1000   ohm-10 to 250 grams

350   ohm-1 to 100lbs.

EXCITATION

5V   dc

SAFE   OVERLOAD

1000%   of rated load

200%-50   to 100Ibs.

CABLE

5Ft.

WEIGHT

9   grams(100 grams to 10Ibs.)

26   grams(25 to 100Ibs.)


AVAILABLE RANGES

10g,20g,50g,100g;250g  

1;2;5;10;25;50;100lbs


image.png

* Specifications are subject to change without notice

WZO CONTROLS LTD


PREVIOUS:MTCK11-12-13 NEXT:MLC

Categories

Contact Us


Contact: wzo@wzocontrols.co.uk