Pressure Sensor

EXT

Series EXT

Wet/Wet Differential Pressure Transducer

EXT model, it is suitable measuring for high precise measurement and differential pressure. EXT can be against corrosive material owing to Media - Wetted materials are composed stainless steel 316L. DWS strength point is in-amplification circuit, It can be helpful communication of variety controllers.

Feature

-CE Certified

-VDC, mA output

- Measuring range 0~3.5MPa diff.

-0.25%FS or 0.5%FS accuracy

-IP65 protection(DIN Connector type)

-Differential Pressure measurement

-Piezoresistive silicon cell

-Stainless steel media

-wetted materials

Applications

-Corrosive Fluid and Gas Measurement Systems

-Liquid Level Controls

-Tank Level Measurement

-Leak Tester System

 

SPECIFICATIONS 


Accuracy   0.25%FS

Accuracy   0.5%FS

Range


0~5kPa..3.5MPa

0~100kPa..2.5MPa

Performance

Accuracy

±0.25% FS(RSS)

±0.5% FS(RSS)

Thermal   Effect on Zero

±0.05% FS/℃

±0.05% FS/℃

Thermal   Effect on Span

±0.05% FS/℃

±0.05% FS/℃

Compenated   Temperature Range

0~50

Operating   Temperature Range

-10~70

Electrical

Exitation  

11~28V DC

Output

0~5VDC,1~5VDC,0~10VDC,4~20mA(2Wire)

Electrical   Connection

Cable   Gland,Connector,Head,Din Connector

Physical

Proof   Pressure

Positive   Pressure 300%FS Max.

Negative   Pressure 300%FS Max.

(For   high-end port, rated or 7MPa whichever is less)

Positive   Pressure 200%FS Max.

Negative   Pressure 100%FS Max.

(for   low-end port, rated or 1MPa whichever is less.)

Line(Common   Mode)Pressure

7MPa

Vibration  

49.1m/s2{5G},10~500Hz

Shock

490m/s2{50G}

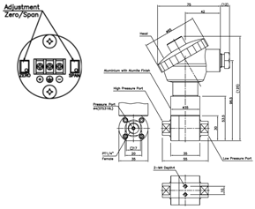
Pressure   Port

R(PT)1/4"(F),   UNF 7/16 (Flare Fitting)

Media   - Wetted Materials

Stainless   Steel 316L, VITON

Weight

Approx.   315g (Connector Type)

Approx.410g(Connector   Type)

 

Dimension

Ø  Cable Gland Type (Accuracy 0.25%FS Type)

 

Wire

Color

Connections

4Wire

3Wire

2Wire

Red

Input

Input

Input

White  

Output

Common

x

Black  

Input

x

Output

Green  

Output

Output

x

Shield

Earth

Earth

Earth

image.png



Ø  Connector Type (Accuracy 0.25%FS Type) 

Pin

No.

Wire

Color

Connections

4Wire

3Wire

2Wire

1

Red

Input

Input

Input

2

White  

Output

Common

x

3

Black  

Input

x

Output

4

Green  

Output

Output

x

5

Shield

Earth

Earth

Earth


image.png


 

Ø  Head Type(Accuracy 0.25%FS Type)

Pin

No.

Connections

2Wire

+

Input

Earth

-

Output


image.png



Ø  Din connector Type(Accuracy 0.25%FS Type)

Pin

No.

Connections

3Wire

2Wire

1

Input

Input

2

Common

Output

3

Output

x

Earth

Earth

image.png


 

Ø  Accuracy 0.5%FS Type                        Flare Fitting(Optional)

image.png


Internal Circuit Diagram

Ø  2Wire mA Output Type                      3, 4Wire mA, VDC Output Type

image.png


Ordering Information

image.png


 

* Specifications are subiect to change without notice

WZO CONTROLS LTD


PREVIOUS:N6200 NEXT:EQD

Categories

Contact Us


Contact: wzo@wzocontrols.co.uk