Pressure Sensor

QTI(FD)

  • VDC,mA output

    Measuring range 0~3.5MPa

    0.15%FS accuracy


  • PDF:QTI(FD)
  • INQUIRY

Series QTI(Flush Diaphragm)

High Performance Pressure Transducer

QTI(Flush Diaphragm)model is designed as a flush diaphragm suitable for sanitary use and is high precise for tank levels. Media - wetted ,materials there are composed by stainless steel 316L to have superior corrosion-resistant properties.It is applied to precise measurement and builds an inner amplifier to interface with various kinds of controllers.

Feature

-CE Certified

-VDC,mA output

-Measuring range 0~3.5MPa

-0.15%FS accuracy

-Gauge and absolute measurement

-Piezoresistive silicon cell

-Stainless steel(316L) media - wetted materials

Applications

-Food Process control

-Water Resource management

-Sewage Water & Slurry

-Glues & Resins

-Oils & Lubricants

-Cosmetics & Pulps

-Abrasive Liquids


SPECIFICATIONS

Range


0~5kPa....3.5MPa(Gauge)

-100kPa~0...3.5MPa(Gauge)

0~35kPa...3.5MPa(Absolute)

Performance

Accuracy          

±0.15%FS(RSS)

Thermal   Effect on Zero

±0.03%FS/℃

Thermal   Effect on Span

±0.03%FS/℃

Compensated   Temperature Range

-10~70

Operating   Temperature Range

-20~80

Electrical

Excitation  

11~28VDC

Output              

0~5VDC,1~5VDC,0~10VDC(3,4Wire)

4~20mA(2,3Wire)

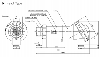
Electrical   Connection

Connector,Head,Din Connector

Physical

Proof   Pressure

X3

Burst   Pressure

X4

Vibration  

49.1m/s2{5G},10~500Hz

Shock

490m/s2{50G}

Pressure   Port    

R(PT)3/4”,G(PF)3/4”

Media   - Wetted Materials

Stainless   Steel 316L,Viton

Weight

Connector   type:Approx.180g(Sensor Only)


Dimension

Pin

No.

Wire

Color

Connections

4Wire

3Wire

2Wire

1

Red

 Input

Input

Input

2

White

Output

Common

X

3

Black

Input

X

Output

4

Green

Output

Output

X

5

Shield

Earth

Earth

Earth

 image.png


NO.

Connections

2Wire

+

Input

Earth

-

Output

image.png


Pin

No.

Connections

3Wire

2Wire

1

 Input

Input

2

Common

Output

3

Output

X

Earth

Earth

image.png


Internal Circuit Diagrams

image.png


Ordering Information

image.png


 

* Specifications are subiect to change without notice

WZO CONTROLS LTD

 


PREVIOUS:QTI NEXT:QTH

Categories

Contact Us


Contact: wzo@wzocontrols.co.uk