S Type Loadcell

SMSTCG100

  • Protective Coating For Underwater (Or Other Liquid) Applications

    Completely Submersible To Most Working Depths

    Compact Size - Smaller Than A Postage Stamp

    Available In 9 Different Load Ranges

    Made Of Sturdy Aluminum (Or Stainless Steel)

    Extreme Overload Capacity-1,000% Of Rated Output

    Built In Overload Protection Adaptable Mounting


  • PDF:
  • INQUIRY

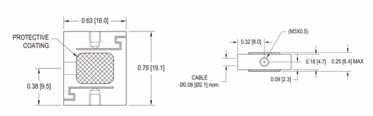
Submersible Miniature S-Beam Load Cells

The SMSTCG100 is a submersible version of the popularSMSTCG100 load cell. It features the same compact size and adaptability, but also can be used submerged in a variety of liquids. Like its terrestrial counterpart, the SMSTCG100 is a min-iature tension/compression load cell. Using metal foil strain gauge technology, one of its unique features is its extremely high overload capacity - 1,000% of rated output. So it’s perfect for applications where total force may not be clear before measurement. Smaller than a postage stamp and made of sturdy aluminum (stainless steel for higher load models), the sensor* s built-in overload protection keeps it safe in any test situation. The cell has two treaded #4-40mounting holes at either end, making installation in any setting a snap. This load cell is popular in the automotive, aerospace and automation industries for such applications as fuel tankfullness measurements. But it is adaptable to any applicationwhere loads must be measured in liquid environments.


 

SPECIFICATIONS


LOAD RANGES

100 gm to 100 lb in 9 different ranges

NON-LINEARIYT

1 to 3% of rated output,depending on load range

HYSTERESIS

1.5 to 5% of rated output,depending on load range

ZERO RETURN

1  to 3% of rated output,depending on load range

CREEP (10 minutes)

2-12%   of rated output,depending on load range

MATERIAL

100   gm to 10 lb-aluminum 25 pounds and up-stainless steel

TEMPERATURE RANGE

0   to 160°F(-17 to 72)

COMPENSATED   TEMP RANGE

60   to 160°F(15 to 72)

TEMPER   ATURE SHIFT ZERO

±0.02   of rated output/°F(0.04% of rated output/



AVAILABLE   RANGES

100   gm; 250 gm; 1; 5; 10; 25; 50; 100 lb

 

image.png

 

 

 

 

 

 



* Cable length is specified here. Length of cable determines the price of the unit. Standard unit comes with 5 ft of cable. The following cable lengths are available: 10, 15, 20,30,40, 50, 100, 200, 300 ft

Price is determined by the following: Standard Price plus, $90.00 modification, $4.00 Per Foot.

Sample Part Number: SMSTCG10020 50

  

Dimension-mm


Capacity

Rated Output

Non-Linerity

Hysteresis

Zero Return

Creep 10mins.

Material

SMSTCG100(XX*)   100G

100gm(1N)

1mV/V   mom.

3%   R.O.

5%   R.O.

3%   R.O.

12%   R.O.

Red   Anodized Aluminum

SMSTCG1OO(XX*)   250G

250gm(2.5N)

2m/V   nom.

2%   R.O.

3%   R.O.

2%   R.O.

5%   R.O.

Red   Anodized Aluminum

SMSTCG1OO(XX*)   1

1lb(4.5N)

1.5mV/V   nom.

1%   R.O.

2%   R.O.

2%   R.O

3%   R.O.

Red   Anodized Aluminum

SMSTCG1OO(XX*)   2

2lb(8.9N)

2mV/V   nom.

1%   R.O.

2%   R.O.

2%   R.O

3%   R.O.

Red   Anodized Aluminum

SMSTCG1OO(XX*)   5

5lb(22.2N)

2mV/V   nom.

1%   R.O.

1.5%   R.O.

1%R.O

2%   R.O.

Red   Anodized Aluminum

SMSTCG1OO(XX*)   10

10lb(44.5N)

2mV/V   nom.

1%   R.O.

1.5%   R.O.

1%R.O

2%   R.O.

Red   Anodized Aluminum

SMSTCG100(XX*)   25

25lb(111N)

2mV/V   nom.

1%   R.O.

1.5%   R.O.

1%R.O

2%   R.O.

17-4PH   S.S.

SMSTCG100(XX*)   50

50lb(222N)

2mV/V   nom.

1%   R.O.

1.5%   R.O.

1%R.O

2%   R.O.

17-4PH   S.S.

SMSTCG100(XX*)   100

100lb(445N)

2mV/V   nom.

1%   R.O.

1.5%   R.O.

1%R.O

2%   R.O.

17-4PH   S.S.

* Specifications are subject to change without notice

WZO CONTROLS LTD


PREVIOUS:SPCTT10 NEXT:SBLC

Categories

Contact Us


Contact: wzo@wzocontrols.co.uk