Canister Type Loadcell

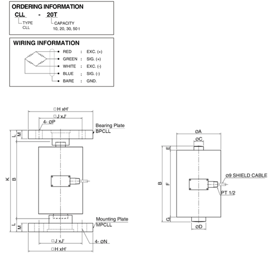
CLL

Series CLL

Compression Load Cell(10t~50t)

 

The CLL series are hermetically sealed canister cells designed for compression service only. They ar ideal for applications where optimum precision is needed.

The CLL series maintain their accuracy over a large range of temperature and withstand severe conditions such as moisture, dust and vibration.

 

-Insensitive to side load

-Hermetically sealed

-High overload tolerance

-Robust high capacity design

-High alloy steel construction

 

SPECIFICATIONS   

TYPE

CLL

Rated   capacity (R.C.)

10,20,30,50t

Rated   output(R.O.)

1.5mV/V   ±0.1%

Non-linearity

≤0.02% R.O.

Hysteresis

≤0.02% R.O.

Non-repeatability

≤0.02% R.O.

Creep   error

≤0.02% in 20min

Zero   balance

≤1% R.O.

Compensated   temperature range

-10   ~ 70℃

Operating   temperature range

-20   ~ 80℃

Temp.   effect on rated output

≤0.02% LOAD/10℃

Temp.effect   on zero balance

≤0.02% R.O./10℃

Terminal   input resistance

350   Ohms ± 3.5 Ohms

Terminal   output resistance

350   Ohms ± 5 Ohms

Insulation   resistance (Min.)

2000   MOhms at 50V DC

Excitation   voltage

10V(Recommended),15V(Max.)

Electrical   connection

ø9mmx5m(22AWGx4Core Shielded)

Protection   class

meets IP   67

Safe   overload

150%   R.C

Ultimate   overload

300%   R.C


image.png


DIMENSIONS -MM

Rated   Capacity

A

B

C

D

E

F

G

H   x H’

J   x J’

K

L

M

N

P

Bearing   Plate

Mounting   Plate

Weight(kg)

10t(98.07kN)

125

215

28

40

11

190

14

200 x 170

140 x 110

274

29.5

19

30

24

BPCLL1

MPCLL1

11.0

20t(196.1kN)

135

247

33

47

12

215

20

200 x 170

140 x 110

330

41.5

22

30

24

BPCLL2

MPCLL2

13.7

30t(294.2kN)

160

293

40

55

12

261

20

240 x 200

180 x 140

400

53.5

25

34

28

BPCLL3

MPCLL3

22.8

50t(490.3kN)

175

321

55

66

17

284

20

255 x 215

195 x 155

445

62

25

34

28

BPCLL4

MPCLL4

30.1

 

 

 

* Specifications are subject to change without notice

WZO CONTROLS LTD


PREVIOUS:CT50 NEXT:CLCCTAS CLCCTSS

Categories

Contact Us


Contact: wzo@wzocontrols.co.uk