Bending Beam Loadcell

SBBLC

  • Bending Beam Load Cell

    20Kg300Kg

    High Accuracy

    IP68

  • PDF:SBBLC
  • INQUIRY


-17-4PH stainless steel construction

-Fully welded seal with stainless steel bellows

-High accuracy

 

SPECIFICATIONS

TYPE

SBBLC

Rated capacity (R.C.)

20,   50, 100, 200, 300kg

Rated output(R.O.)

2.0mV/V   ± 0.003mV/V

Non-linearity

≤0.03%   R.O.

Hysteresis

≤0.02%   R.O.

Non-repeatability

≤0.02%   R.O.

Creep error

≤0.03%   in 20min

Zero balance

≤1%   R.O.

Compensated temperature range

-10   ~ 70

Operating temperature range

-20   ~ 80

Temp. effect on rated output

≤0.003%   LOAD/

Temp.effect on zero balance

≤0.003%   R.O./

Terminal input resistance

400   Ohms ± 30 Ohms

Terminal output resistance

350   Ohms ± 5 Ohms

Insulation resistance (Min.)

2000   MOhms at 50V DC

Excitation voltage

1~12V(Recommended),15V(Max)

Electrical connection

Ø5mmx3m,5m(Option),22AWG x 4C

Protection class

meets   IP 68

Safe overload

150%   R.C

Ultimate overload

300%   R.C


image.png


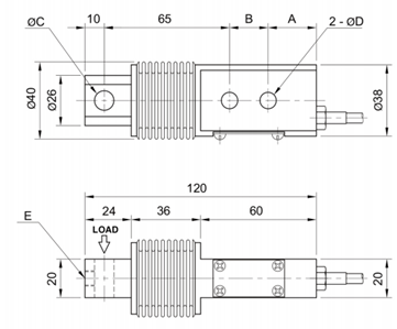
DIMENSIONS-mm

Rated Capacity

A

B

C

D

E

Weightkg

20kg(196.1N)

27

18

8.1

6.5

M8 x 1.25P

0.7

50kg(490.3N)

100kg(980.7N)

 

25

 

20

 

10.1

 

8.5

 

N/A

 

0.7

200kg(1.961N)

300kg(2.942N)

 

image.png



* Specifications are subject to change without notice

WZO CONTROLS LTD



PREVIOUS:WMCK300 NEXT:BBLC

Categories

Contact Us


Contact: wzo@wzocontrols.co.uk