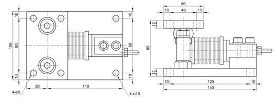
Bending Beam Loadcell

WMCK300

- Self centering design for accurate weighing.

- Self checking and overlift protection structure for no check rods needed.

-Fully welded stainless steel load cell.

-Stainless steel or zinc plated steel mounting kit.

 

SPECIFICATIONS

TYPE

WMCK30021,WMCK30022

Rated   capacity (R.C.)

20,   50, 100, 200, 300, 500kg

Rated   output(R.O.)

2.0mV/V   ± 0.3mV/V

Non-linearity

≤0.03%   R.O.

Hysteresis

≤0.02%   R.O.

Non-repeatability

≤0.02%   R.O.

Creep   error

≤0.03%   in 20min

Zero   balance

≤1%   R.O.

Compensated   temperature range

-10   ~ 70

Operating   temperature range

-20   ~ 80

Temp.   effect on rated output

≤0.02%   LOAD/10

Temp.effect   on zero balance

≤0.02%   R.O./10

Terminal   input resistance

400   Ohms ± 20 Ohms

Terminal   output resistance

350   Ohms ± 5 Ohms

Insulation   resistance (Min.)

2000   MOhms at 50V DC

Excitation   voltage

10V(Recommended),15V(Maximum)

Electrical   connection

Ø5mmx3m(22AWG x 4Core Shielded)

Protection   class

meets   IP 68

Safe   overload

150%   R.C

Ultimate   overload

300%   R.C


image.png


image.png


* Specifications are subject to change without notice

WZO CONTROLS LTD



PREVIOUS:BBCK20 NEXT:SBBLC

Categories

Contact Us


Contact: wzo@wzocontrols.co.uk