Pressure Sensor

QMO QMB

  • 4~20mA output

    Gauge and absolute measurement

    0.15%FS accuracy


  • PDF:QMO QMB
  • INQUIRY

Series QMO/QMB

Depth and Level Transmitter

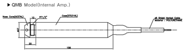
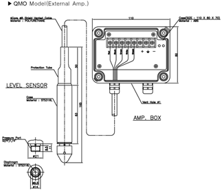
QM model, the highest precise pneumatic level transmittr, is waterproof up to a depth of 350m and uses the polyurethane vented cable being used in seawater and performing atmospheric compensation. I is appropriate for deep wells and tank level. Depending on the embeded place of an amp. this QM model has both QMO(External amp.) and QMB(Internal amp.). Refer to the dimension.

Feature

-4~20mA output

-Gauge and absolute measurement

-0.15%FS accuracy

-Diameter∶ QMO(φ21),QMB(φ27)

-Fully sealed construction -Vented polyurethane cable

-Piezoresistive silicon cell

-Stainless stee(316L)media-wetted materials

Applications

-Tank Level Measurement

-Deep Well Measurement

-Ship & Marine System

-Ground & Surface Water Monitoring

-Geophysical Application

-Water Supply & Reservoirs

 

SPECIFICATIONS


QMO

QMB

Range


0~0.5,1,2,3,5,10,20,30,50,70,200,350   mH2O(Gauge)

0~10,20,30,50,70,200,350 mH2O(Absolute)

Performance

Accuracy

±0.15% FS(RSS)

Thermal   Effect on Zero

±0.03% FS/℃

Thermal   Effect on Span

±0.03% FS/℃

Compensated   Temperature Range

0~70

Operating   Temperature Range

-20~80

Electrical

Excitation  

11~28V DC

Output

4~20mA   (2Wire),1~5VDC

4~20mA(2Wire)

Electrical   Connection

AMP.BOX

ø8   Vented Tube Polyurethane Cable

Physical

Proof   Pressure

300% FS   Max.

Burst   Pressure

400% FS   Min.

Vibration  

49.1m/s2{5G},10~500Hz

Shock

490m/s2{50G}

Protection

Sensor:IP68

IP68

Media   - Wetted Materials

Stainless   Steel 316L

Stainless   Steel 316L  VITION

Weight

Approx.   Sensor 100g, Amp 300g

Approx.   Sensor 350g


Dimension

Pin  No.

Connections

(3Wire)

EXC+

 Input

GND

Common

SIG+

Output

Earth

image.png

 


Pin  No.

Connections

(2Wire)

 Input

s

Earth

Output


Wire

Color

image.png

Connections

 

Red

 Input

Black

Output

Shield

Earth


Internal Circuit Diagram

image.png


Ordering Information

image.png



* Specifications are subiect to change without notice

WZO CONTROLS LTD

 


PREVIOUS:QMU NEXT:QIQ

Categories

Contact Us


Contact: wzo@wzocontrols.co.uk