Pressure Sensor

QNT QNI

  • Built-in amplifier Circuit(VDC,mA)

    Measuring range 0~400MPa

    0.25%FS(QNI),0.5%FS(QNT)accuracy


  • PDF:QNT QNI
  • INQUIRY

Series QNT/QNI

General Purpose Pressure Sensor

QNT/QNI sensing element has excellent temperature properties by adopting a self temperature compensation foil strain gauge.A diaphragm and a pressure port are configured as one body for the prevention of leakage,and it has excellent durability for an instant over pressure.It builds an amplfifer therein to interface with various kinds of controllers.

Feature

-Built-in amplifier Circuit(VDC,mA)

-Measuring range 0~400MPa

-0.25%FS(QNI),0.5%FS(QNT)accuracy

-Self temperature compensation foil strain gauge

-Stainless steel media-wetted materials

Applications

-Process control

-Hydraulics & Pneumatic

-Compressor Control

-Chillers

-Refrigeration Equipment



SPECIFICATIONS


QNT

QNI

Range


0~1,2,3,5,10,20,30,35,50,100,250,400MPa(Gauge)

-0.1~1,2,3,5,10,20,30,35,50,100,250,400MPa(Gauge)

Performance

Accuracy          

±0.5%FS(RSS)

±0.25%FS(RSS)

Thermal   Effect on Zero

±0.06%FS/℃

±0.03%FS/℃

Thermal   Effect on Span

±0.06FS/℃

±0.03%FS/℃

Compensated   Temperature Range

-10~70

-20~80

Operating   Temperature Range

-20~80

-30~100

Electrical

Excitation  

11~28VDC

Output

0~5VDC,1~5VDC,0~10VDC(3,4Wire)

4~20mA(2,3Wire)

Electrical   Connection

Connector,Head,Din Connector

Physical

Proof   Pressure

150%FS Max.(≤100MPa),120%FS Max.(>100MPa)

Burst   Pressure

200%FS   Min..(≤100MPa),130%FS Min.(>100MPa)

Vibration  

49.1m/s2{5G},10~500Hz

Shock

490m/s2{50G}

Pressure   Port    

R(PT)3/8”(≤100MPa),UNF9/16”Female(>100MPa)

Media   - Wetted Materials

Stainless   Steel 630

Weight

Connector   type:Approx. 140g(Sensor Only)






 

 

 

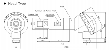
Dimension

Pin

No.

Wire

Color

Connections

4Wire

3Wire

2Wire

1

Red

Input

Input

Input

2

White

Output

Common

X

3

Black

Input

X

Output

4

Green

Output

Output

X

5

Shield

Earth

Earth

Earth

image.png


No.

Connections

2Wire

+

Input

Earth

-

Output

image.png


Pin

No.

Connections

3Wire

2Wire

1

Input

Input

2

Common

Output

3

Output

X

Earth

Earth

image.png


 image.png

Internal Circuit Diagrams

image.png


Ordering Information

image.png


* Specifications are subiect to change without notice

WZO CONTROLS LTD

 

 

 

 

 

 

 

 

 


PREVIOUS:QNTB QNIB NEXT:QND

Categories

Contact Us


Contact: wzo@wzocontrols.co.uk