Pressure Sensor

QUB

  • CE Certified

    Built-in amplifer Circuit(VDC, mA)

    Measuring range-0.1~150MPa

    0.5%FS accuracy /


  • PDF:QUB
  • INQUIRY

Series QUB

General Purpose Pressure Transducer

QUB model has applied Silicon Piezoresistive cell, which attached High Temperature Glass on Titanium. Since it does not use O-ring, there is no possibility of corrosion and leak. Its low price makes it suitable for industrial uses. With its various outputs, it may be interfaced with various controllers.

Feature

-CE Certified

-Built-in amplifer Circuit(VDC, mA)

-Measuring range-0.1~150MPa

-0.5%FS accuracy /

-Zero, Span Adjustable

-Stainless steel, Titanium media-wetted materials

Applications

-Process control

-Hydraulics & Pneumatic

-Compressor Control

-Chillers

-Refrigeration Equipment


SPECIFICATIONS

Range


-100~0~100,200,500,kPa   / 1,2,3,5,10,20,30,50,100,150MPa(Gauges)

Performance

Accuracy

±0.5%FS(RSS)

Thermal   Effect on Zero

±0.05%FS / ℃(≤200kPa:±0.1%FS / ℃)

Thermal   Effect on Span

±0.05%FS / ℃(≤200kPa:0.1%FS / ℃)

Compensated   Temperature Range

-10~70

Operating   Temperature Range

-30~100

Electrical

Excitation  

11~28VDC(PTAA 12VDC Max.)

Output

10~20mV/V(Din Type Only)

0~5VDC,1~5VDC,0~10VDC(3,4Wire),4~20mA(2,3Wire)

Electrical   Connection

Connector,Head,Din Connector

Physical

Proof   Pressure

150%FS   Max.

Burst   Pressure

200%FS   Min.

Vibration  

49.1m/s2{5G},10~500Hz

Shock

490m/s2{50G}

Pressure   Port

R(PT)1/8”,G(PF)1/8”,R(PT)1/4”,G(PF)1/4”,R(PT)3/8”,G(PF)3/8”

Media   - Wetted Materials

Stainless   Steel 304,Titanium 87%

Weight

Connector   type:Approx.140g(Sensor Only)

 

 

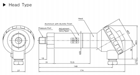
Dimension

 image.png

Pin   No.

Connections

1

Input

2

Input

3

Output

Output


 image.png

Pin  

No.

Wire

Color

Connections

4Wire

3Wire

2Wire

1

Red

Input

Input

Input

2

White

Output

Common

X

3

Black

Input

X

Output

4

Green

Output

Output

X

5

Shield

Earth

Earth

Earth

 

 image.png

No.

Connections

2Wire

+

Input

Earth

-

Output


image.png

Pin  

No.

Connections

3Wire

2Wire

1

Input

Input

2

Common

Output

3

Output

X

Earth

Earth

 

 

Internal Circuit Diagram

image.png


Ordering Information

image.png


 

* Specifications are subiect to change without notice

WZO CONTROLS LTDS

 

 

 


PREVIOUS:QUC NEXT:QTT

Categories

Contact Us


Contact: wzo@wzocontrols.co.uk